NEU - BR 250 003-1 Clublok 2020, Beschaltung Next 18 und Kupplungseinbau - NEU
|
(An dieser Stelle werde ich in lockerer Folge verschiedene Tipps veröffentlichen).
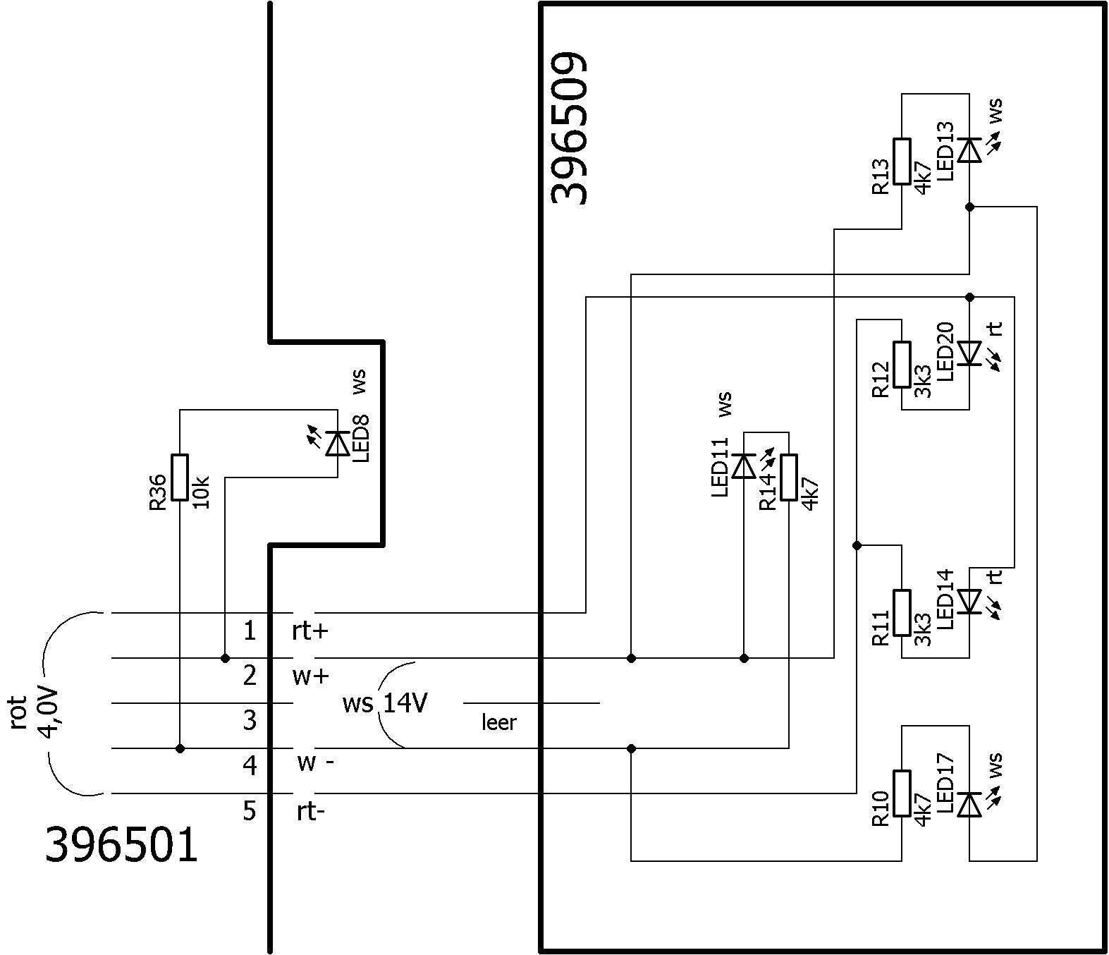
Hier die Beschaltung der NEXT18 Schnittstelle der BR 250 003-1 Clublok 2020, Tillig-Nr. 502190
der Dekoder wird ein Zimo Next18 MX618 (Nichtsound) sein.
Zuerst mal die Beschaltung der Licht-LP. Hier mit einer Besonderheit: Alle weißen Stirnlampen (4 LEDs)
hängen an 14 V (normale Funktionsausgänge). Ich hoffe mal F0v und F0r.
Die Schlusslichter (je 2 LEDs) werden mit ca. 4 V betrieben, sind an den unverstärkten A3 und A4 angeschlossen.

zum Vergrößern: click auf's Bild

zum Vergrößern: wie oben
NEXT 18 allgemein:
F0v, F0r, Aux1 und Aux2 (für mich A1 und A2) sind verstärkte (normale) Funktionsausgänge, der 2. Pol dieser Ausgänge geht zu +.
A3 bis A6 sind unverstärkte Ausgänge (dort kommt" + 5V raus") der 2. Pol führt zu GND -.
Bei Zimo schaltet CV 124 = + 128 (bestehender Wert und 128 addieren) A3 und A4 von Susi auf Funktionsausgang um. (der
Auslieferungszustand ist Susi aktiv).

zum Vergrößern: click auf's Bild
Die Lautsprecherausgänge sind zwar nicht weiter beschrieben (bei Zimo als A5 und A6 (unverstärkt) nutzbar) und
auf der LP herausgeführt. Alle möglichen Pins und Bauteile sind (irgendwie) bezeichnet, nur die für den Modelbahner erforderlichen nicht.
Die Lautsprecherausgänge werde ich für die Führerstandsbeleuchtung umnutzen.
Die elektrische Kupplung kann mit A1 und A2 betrieben werden.
Ich habe versucht die Funktionen sinnvoll zu ordnen:
F0 – Führerstandslicht selbst nachgerüstet,
F1 – schaltet Lichter am Führerstand 1 richtungsgerecht,
F2 – schaltet Lichter am Führerstand 2 richtungsgerecht,
F3 – schaltet Rangierlicht ein beidseitig ws und rt ab,
F4 - Lokführer's Tischlampe (selbst nachgerüstet)
F5 – Kupplung an A2,
F6 – Lokführergruß dunkelt ws ab
CV's :
allgemein: CV29 = 15=14+1
CV61 = 97 (umschalten Susi auf A3 u. A4)
CV114 = 252 (Dimmausschluss für A1 bis A6)
für F0: CV33 = 64, CV34 = 64 (F0v u. F0r schalten A5), CV126 = 2 (nur rück)
für F1: CV35 = 34 = 2+32, (A0v und A4), CV125 = 1 (A0v nur vor), CV129 = 2 (A4 nur rück)
für F2: CV36 = 17 = 1+16, (A0r und A3), CV126 = 2 (A0r nur rück), CV130 = 1 (A3 nur vor)
für F3: CV37 = 3 = 1+2, (A0v und A0r), CV131 = 60 ( aus bei v>0)
Richtungsbindung aufheben üb. Schweizer Mapping: (für A0r): CV430 = 3, CV431 = 32, CV432 = 32, CV433 = 15, CV508 = 249,
(für A0v): CV436 = 3, CV437 = 64, CV440 = 78, CV509 = 249,
(für A3 und A4 aus): CV442 = 3, CV443 = 96, CV444 = 99, CV445 =100, CV446 = 100, CV447 = 99,
für F4: CV38 = 128, (A6 (Tischla) ein)
für F5: CV39 = 8, CV128 = 60 (Kupplung auf A2 nur rück), CV46 = 8 (Kuppl auch über F12)
für F6: CV119 = 3
Kupplungswalzer: CV 114 = 252, CV 115 = 154, CV116 = 175,
Railcom: CV28 = 3, (Railcom Kanal 1 und 2 ein), CV29 = 15 (Bit 3 gesetzt),
ABC-Bremsen: CV140 = 1, CV141 = 20, (Bremsweg), CV142 = 5 (Schnellfahrkompensation)
wird fortgesetzt
Für Hinweise und Anregungen bin ich dankbar.
|
|